M5 Series 5 port 2 way Manual operated Mechanical valve
Order code
Symbol

Technical parameter
Item No.
M5B
M5C
M5D
M5R
M5L
M5Y
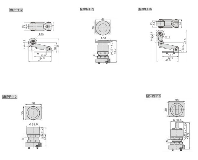
M5PM
M5PP
M5PF
M5PL
M5HS
Fluid
Air
Operation type
External control
Pressure range
0-1.0 Mpa
Proof pressure
1.5Mpa
temperature
-20 to 70℃
Valve type
5 port 2 position
Port size
06:G1/8” 08:G1/4”
Orifize size
110 :06:8.0mm2 210 : 06:9.0mm2, 08:12.0mm2
Lubrication
Not required
Dimension

Feature
Exhaust outlet locates over the body, which is convenient to install muffler to decrease noise and pollution.
The external force required by direction-change of series of M5B, M5R and M5L is provided by external mechanism, which can be position test or [stroke switch] limit switch
M5C, M5D, M5Y, M5PF, M5PM, M5PP, M5PL and M5HS are operated manually, owning control joints with several structure forms and suitable for application under different conditions.
It is in sliding column structure that control force is not influenced by working pressure (that is, there is no back pressure effect); internal circle is sealed with good tightness and the direction-change is sensitive.
Lubricant is not necessary.
Multi-mounting makes it convenient to install and apply.
The control joints of series of M5C, M5D, M5Y, M5R and M5L are made of metal which has longer service life and more reliable and steady performance.












